产品
文章
搜索
名称
描述
内容
13520853077
服务热线:
首页
关于我们
产品中心
客户案例
风机样本
新闻资讯
联系我们
在线留言
给顾客提供满意的服务,秉承专业,领先,诚信,奉献的宗旨
首页
>>
风机样本
>>
FDW、 WT、 WS、 DWT、 BDW屋顶风机 、风机样本
FDW、 WT、 WS、 DWT、 BDW屋顶风机 、风机样本
来源:
北京诚意意隆风机设备有限公司
|
作者:
北京诚意意隆风机设备有限公司
|
发布时间:
2023-03-22
|
842
次浏览
|
🔊
点击朗读正文
❚❚
▶
|
分享到:
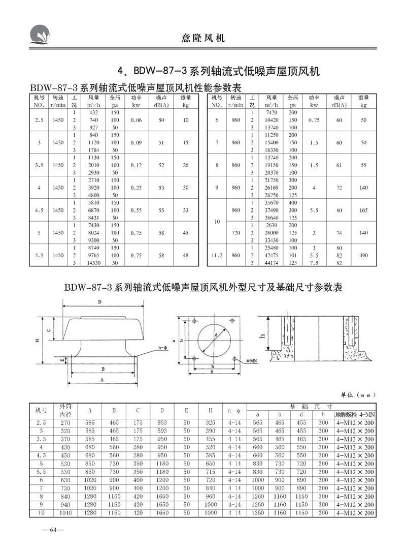
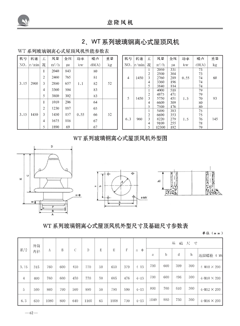
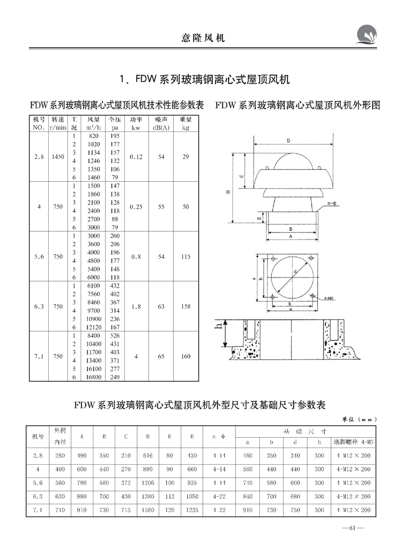
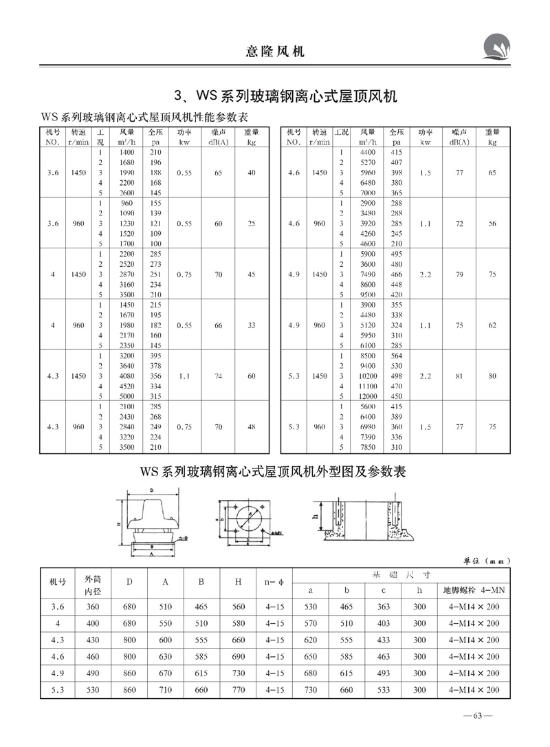
屋顶风机足国内T.民建筑业常用风机之一,结构形式分为轴流式、离心式,材料形式分为钢制、玻璃钢,其特点风量大、风压高、噪声低,可适用不同用途的要求,钢制屋质风机外观好.结构合理、防火性好,适用于排风、送风场。玻璃钢屋顶风机结构好,重量轻、噪声低,最大优点是耐腐蚀性,适用于排风换气,广泛用于工矿场所、化工实验各种建筑物。
上一篇:
DBF、DYF系列低......
下一篇:
GYF(HTF)型系......