产品
文章
搜索
名称
描述
内容
13520853077
服务热线:
首页
关于我们
产品中心
客户案例
风机样本
新闻资讯
联系我们
在线留言
给顾客提供满意的服务,秉承专业,领先,诚信,奉献的宗旨
首页
>>
风机样本
>>
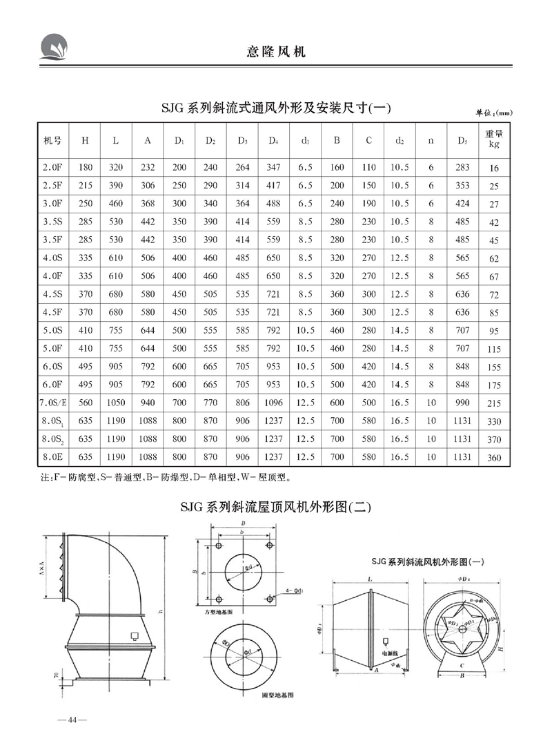
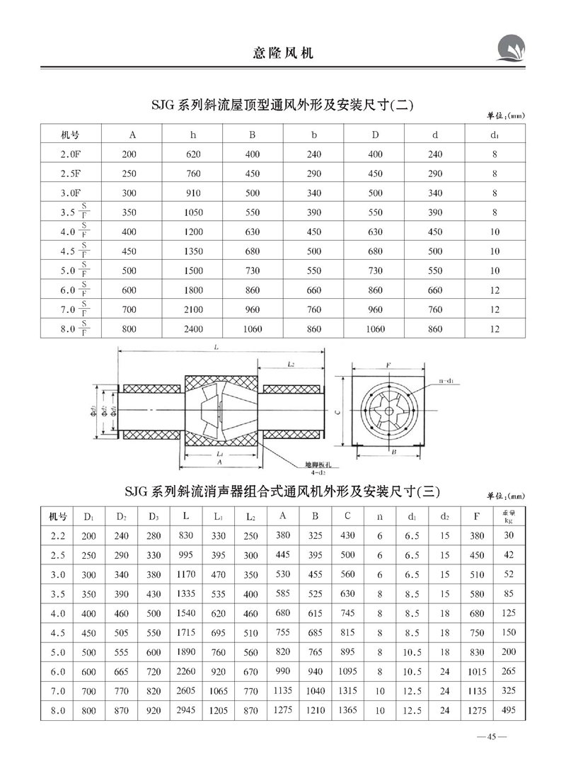
SJG系列斜流风机样本
SJG系列斜流风机样本
来源:
北京诚意意隆风机设备有限公司
|
作者:
北京诚意意隆风机设备
|
发布时间:
2023-03-22
|
853
次浏览
|
🔊
点击朗读正文
❚❚
▶
|
分享到:
SJG斜流风机是介于离心风机与轴流风机之间的利风机,其比转速填补了两种风机之间的空缺,斜流风机的压力系数值高F轴流风机而流量系数值高小离心风机,该风机流最大、风压高。结构紧凑,在相同流量和压力下其体积小于
轴流或离心通风机。
上一篇:
GYF(HTF)型系......
下一篇:
SWF(GXF)型系......