产品
文章
搜索
名称
描述
内容
13520853077
服务热线:
首页
关于我们
产品中心
客户案例
风机样本
新闻资讯
联系我们
在线留言
给顾客提供满意的服务,秉承专业,领先,诚信,奉献的宗旨
首页
>>
风机样本
>>
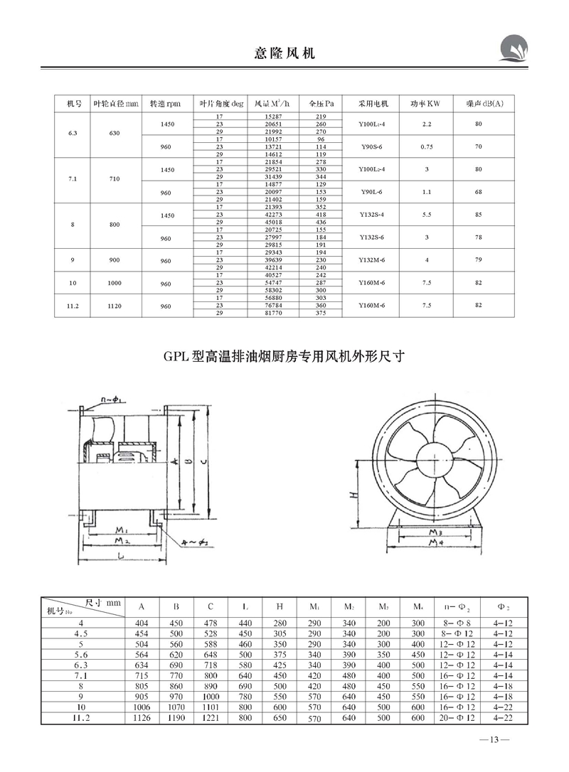
GPL型高温排汕烟厨房专用风机样本
GPL型高温排汕烟厨房专用风机样本
来源:
北京诚意意隆风机设备有限公司
|
作者:
北京诚意意隆风机设备有限公司
|
发布时间:
2023-03-22
|
990
次浏览
|
🔊
点击朗读正文
❚❚
▶
|
分享到:
以厨房油烟为代衣的这炎气体介质, 其特点是:具有较高的温度和较大的粘性。股用途的通风机使用在这种场合往往遇到以下问题,第一:风机的电动机往往不得不在高温气体坏境内长期工作:第::风机的叶轮沾.上足以破坏其平衡性的异物后,使用者因无专用.上具而尤法做到及时清洗。店于这些原因,一般州途的风机使用在这种场合,其使用寿命往往以较短。
上一篇:
4-72系列离心通风......
下一篇:
DDT40系列低噪声......