产品
文章
搜索
名称
描述
内容
13520853077
服务热线:
首页
关于我们
产品中心
客户案例
风机样本
新闻资讯
联系我们
在线留言
给顾客提供满意的服务,秉承专业,领先,诚信,奉献的宗旨
首页
>>
风机样本
>>
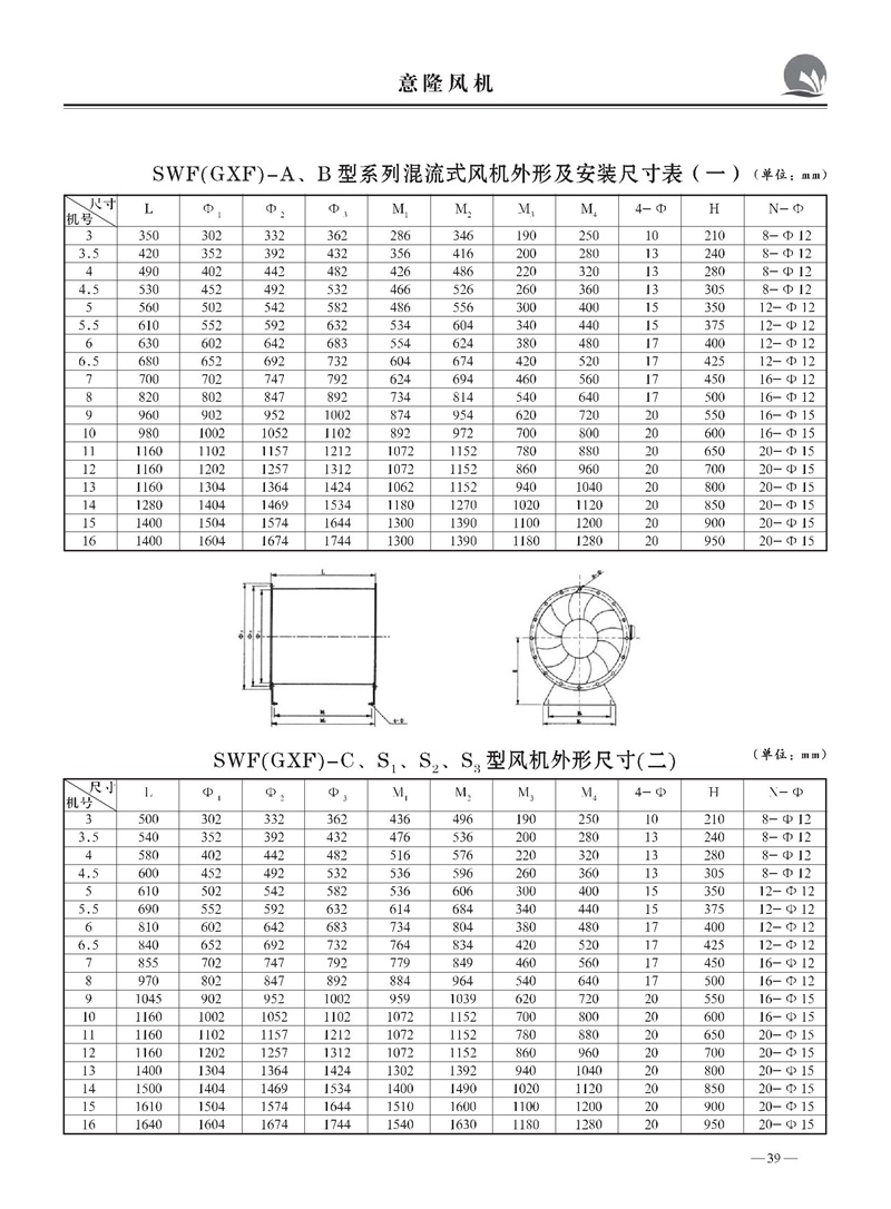
SWF(GXF)型系列低噪声混流(斜流)风机样本
SWF(GXF)型系列低噪声混流(斜流)风机样本
来源:
北京诚意意隆风机设备有限公司
|
作者:
北京诚意意隆风机设备
|
发布时间:
2023-03-22
|
938
次浏览
|
🔊
点击朗读正文
❚❚
▶
|
分享到:
新研制设计SWF(GXF)型混流(斜流)风机,采用斜流子午加速原理设计,风机内简带导流功能,提高风量风压,满足川户需要,是替代普通轴流和离心风机的换代产品。
上一篇:
SJG系列斜流风机样......
下一篇:
4-72系列离心通风......